歡迎致電:153-1256-1575
江蘇丹港機械制造有限公司
Jiangsu Dangang Machinery Manufacturing Co., Ltd
產品展示
PRODUCT DISPLAY

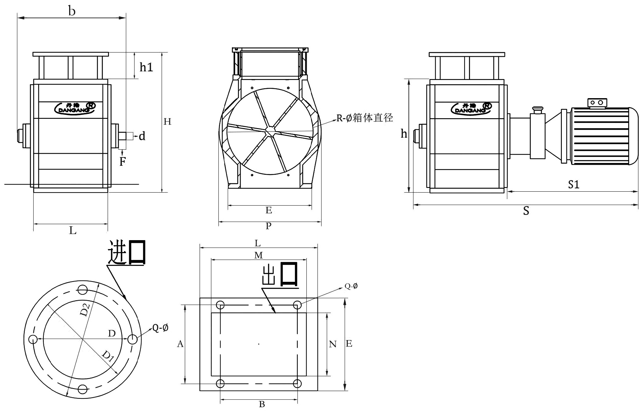
BL-A關風機
軸承裝置有內置和外置形式,維修方便,工作穩(wěn)定性強,葉輪為鋼板焊接,確保各行業(yè)安全使用,該機型進料口為圓形,法蘭聯接,帶有透明觀察窗,便于觀察物料流動情況,出口為方形,傳動部分可按客戶需求配置,本機型亦可根據客戶物料要求進行特殊處理,增強耐磨性,材質有鑄鐵和不銹鋼。
軸承裝置有內置和外置形式,維修方便,工作穩(wěn)定性強,葉輪為鋼板焊接,確保各行業(yè)安全使用,該機型進料口為圓形,法蘭聯接,帶有透明觀察窗,便于觀察物料流動情況,出口為方形,傳動部分可按客戶需求配置,本機型亦可根據客戶物料要求進行特殊處理,增強耐磨性,材質有鑄鐵和不銹鋼。
技術參數:
|
型號立升 |
電機 |
轉速 |
外形尺寸 |
Q-? |
|||||||||||||||||||
|
KW |
D |
D1 |
D2 |
N |
M |
Α |
B |
E |
L |
h |
h1 |
H |
S1 |
S |
b |
R-? |
P |
d |
F |
進口 |
出口 |
||
|
1.2 |
0.37 |
24-43 |
100 |
140 |
170 |
90 |
120 |
125 |
85 |
150 |
140 |
220 |
85 |
305 |
445 |
660 |
285 |
140 |
190 |
25 |
45 |
4-11 |
4-11 |
|
2.8 |
0.55 |
24-43 |
120 |
160 |
190 |
130 |
150 |
165 |
115 |
190 |
180 |
285 |
85 |
370 |
445 |
700 |
325 |
210 |
255 |
25 |
45 |
4-11 |
4-11 |
|
5 |
0.25 |
24-43 |
150 |
190 |
220 |
140 |
175 |
190 |
140 |
220 |
210 |
320 |
85 |
405 |
465 |
745 |
350 |
250 |
300 |
25 |
45 |
4-11 |
4-11 |
|
7 |
1.1 |
24-43 |
170 |
210 |
240 |
170 |
190 |
225 |
160 |
255 |
230 |
355 |
85 |
440 |
480 |
780 |
370 |
280 |
330 |
25 |
45 |
4-11 |
4-11 |
|
9 |
1.1 |
- |
190 |
235 |
260 |
200 |
220 |
250 |
190 |
275 |
255 |
385 |
85 |
470 |
480 |
805 |
395 |
300 |
355 |
25 |
45 |
4-11 |
4-11 |
|
12 |
1.1 |
- |
210 |
260 |
290 |
210 |
230 |
275 |
210 |
310 |
275 |
420 |
110 |
530 |
480 |
835 |
425 |
320 |
380 |
25 |
45 |
6-11 |
4-11 |
|
16 |
1.5 |
- |
250 |
300 |
330 |
260 |
280 |
310 |
260 |
340 |
320 |
460 |
110 |
570 |
520 |
915 |
470 |
350 |
405 |
28 |
50 |
6-11 |
4-11 |
|
25 |
2.2 |
- |
280 |
320 |
360 |
280 |
295 |
340 |
270 |
375 |
350 |
470 |
110 |
580 |
545 |
960 |
490 |
360 |
420 |
35 |
50 |
6-11 |
4-11 |
|
30 |
3 |
- |
300 |
350 |
390 |
300 |
310 |
360 |
270 |
400 |
360 |
520 |
110 |
630 |
545 |
980 |
510 |
380 |
440 |
35 |
50 |
6-13 |
6-13 |
|
40 |
3 |
- |
320 |
375 |
420 |
320 |
350 |
375 |
310 |
420 |
400 |
540 |
110 |
650 |
545 |
1050 |
560 |
400 |
460 |
35 |
50 |
6-13 |
6-13 |
|
50 |
3 |
- |
340 |
390 |
440 |
350 |
370 |
410 |
330 |
450 |
420 |
580 |
110 |
690 |
545 |
1080 |
580 |
420 |
480 |
35 |
50 |
6-13 |
6-13 |

地址:丹陽市導墅鎮(zhèn)東油村老預制場 電話:153-1256-1575
Copyright 版權所有 © 江蘇丹港機械制造有限公司
備案/許可證編號:蘇ICP備18003308號-2
技術支持:江蘇網博
全國服務熱線:
153-1256-1575
(工作時間:周一至周日9:00—18:00)